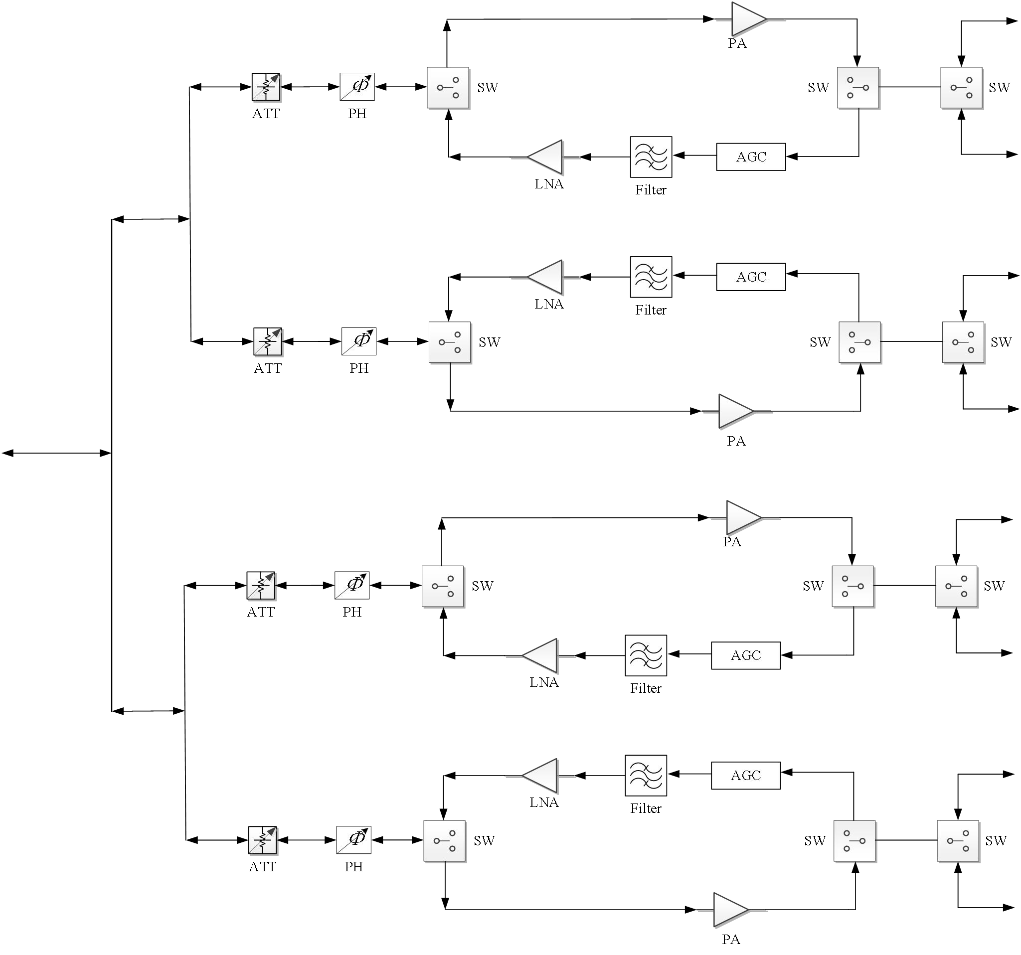
Broadband TR Modules S/C-Band TR Module
- Frequency range:2~6G
- 4-Channel dual-polarization TR integrated for
- single module
- TX output power:≥40dBm
- TX input power:0±1dBm
- RX gain:16±2dB
- RX NF:≤6dB
- 6 BIT phase and attenuation control
- ANT Port spacing:14mm
- Size:106 * 65 * 8mm
- Weight:≤130g


