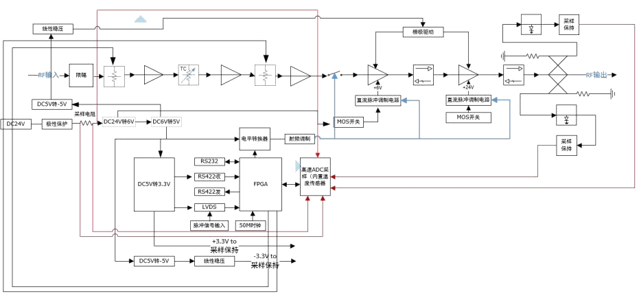
Solid – state power amplifier Ka-band 8W SSPA
- Frequency range: 32~36.5GHz
- Working mode:CW & Pulsed
- Output power:≥39dBm
- Input power:-5~+5dBm
- Efficiency : ≥ 15%
- Flatness @ Psat:≤±1.5dB
- Supply voltage: +24V
- Protections: over temperature、 over voltage、
- over current、 open/short output
- Size:100 * 100 * 30mm




